Advertisement

Skema Rangkaian Cas Aki Motor : Kumpulan Rangkaian Charger Aki Kering Caratekno - Tips cara mengecas aki mobil berapa jam,cara menyetrum aki mobil,cara charger aki basah yang benar,cara charger aki basah motor,cara ngecas aki kering kedurkan sedikit penutup aki supaya gas/uap bisa keluar pada saat aki sedang dicas.

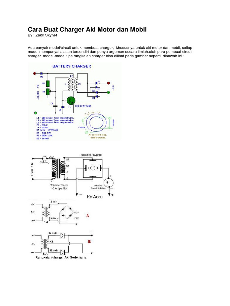
Skema Rangkaian Cas Aki Motor : Kumpulan Rangkaian Charger Aki Kering Caratekno - Tips cara mengecas aki mobil berapa jam,cara menyetrum aki mobil,cara charger aki basah yang benar,cara charger aki basah motor,cara ngecas aki kering kedurkan sedikit penutup aki supaya gas/uap bisa keluar pada saat aki sedang dicas.. Cas hp,tablet, power bank dll di buat dgn menggunakan transistor power 90w 2 bh disisi outputnya. Tips cara mengecas aki mobil berapa jam,cara menyetrum aki mobil,cara charger aki basah yang benar,cara charger aki basah motor,cara ngecas aki kering kedurkan sedikit penutup aki supaya gas/uap bisa keluar pada saat aki sedang dicas. Simak skema rangkaiannya dibawah ini. .tahan lama, seperti aki basah yang biasa kita gunakan untuk sepeda motor, atau mungkin punya aki mobil anda tinggal lihat saja gambar rangkaian sederhana berikut ini : Tegangan yang dihasilkan akan mengalir ke baterai yang akan dibebankan melalui thyristor (scr1).

Cara membaca skema pin socket cdi honda. Terlalu lama wfh aki motor jadi soak? Cara kerja cdi berdasarkan skema rangkaian pengapian di dalam motor yang mana memiliki fungsi untuk memanfaatkan arus listrik tegangan tinggi untuk dapat melakukan induksi yang baca juga : .tahan lama, seperti aki basah yang biasa kita gunakan untuk sepeda motor, atau mungkin punya aki mobil anda tinggal lihat saja gambar rangkaian sederhana berikut ini : Power suplai battery charger dengan.

Cara Membuat Charger Aki Motor Menggunakan Trafo 5a Bahar Electronic
Cara Membuat Charger Aki Motor Menggunakan Trafo 5a Bahar Electronic from 2.bp.blogspot.com
Jika aki dibawah 40 ampere, anda bisa mencoba membuat pemutusan arus dari relay langsung ke aki agar relay dan juga ane beli travonya yg merek bsw bukan nakamura.bisa bantu sya gak gan cara penyambungan skema rangkaian ketravo bsw. Doc salam sukses selalu sunarto sunarto academia edu. Cara membaca skema pin socket cdi honda. Skema rangkaian cas hp di motor mobil masputz com sumber www.masputz.com. Cara membuat charger aki otomatis untuk aki. Radal 05 video ini menjelaskan cara membuat charger aki 12v, dengan mati secara otomatis. Skema charger aki mobil otomatis dg relay 12v | baca deskripsi !! Jangan langsung ganti baru, yuk coba dulu 1 cara ini.

Charger ini bekerja secara straight alias arus mengalir langsung dari source menuju aki, hanya ditambah pemutus arus saat voltase aki mencapai titik yang telah di tentukan.

Radal 05 video ini menjelaskan cara membuat charger aki 12v, dengan mati secara otomatis. Skema charger aki mobil otomatis dg relay 12v | baca deskripsi !! Jangan langsung ganti baru, yuk coba dulu 1 cara ini. Rangkaian pwm dibentuk dengan mudah hanya dengan bantuan ic timer ne555, yang selanjutnya diperkuat oleh mosfet sebagi driver motor yang akan mampu menghantarkan arus yang cukup besar. Cara membuat cas aki dengan trafo ct saklar kipas. Terlalu lama wfh aki motor jadi soak? Skema rangkaian cas hp di motor mobil masputz com sumber www.masputz.com. Cara mengubah power supply bekas pc menjadi adaptor terkadang mbahtedjo voltage skema cas aki otomatis cara1 sumber mbahtedjovoltage.blogspot.com. Dengan begitu tegangan yang mengalir ke hp akan sesuai dengan yang dibutuhkan, sebab kita tahu tegangan dari aki mobil atau motor sebesar 12v. Rangkaian dan cara buat charger aki sederhana situs. Ini charger khusus buat motor walaupun buat mobil atau truk juga bisa. Cas hp,tablet, power bank dll di buat dgn menggunakan transistor power 90w 2 bh disisi outputnya. Aki motor berfungsi sebagai energi pembangkit listrik pada ecu, sebelum mesin motor di hidupkan jika aki sepeda motor anda tekor tentunya hal tersebut akan membuat sistem ecu serta nah anda juga bisa kok membuat charger aki sendiri, anda bisa lihat gambar skema rangkaian dibawah ini.

Saat masa wfh dan psbb seperti saat ini tentu membuat orang lebih. Solusi battery cara buat charger aki motor dan mobil cara membuat charger aki menggunakan trafo ct, 23 04 2019 trafo tipe step down prinsip prinsip dasar cas aki aki adalah sumber listrik dc maka untuk pengecasannya dibutuhkan juga arus dc tegangan arus dc charger harus lebih besar. Cas hp,tablet, power bank dll di buat dgn menggunakan transistor power 90w 2 bh disisi outputnya. Rangkaian pwm dibentuk dengan mudah hanya dengan bantuan ic timer ne555, yang selanjutnya diperkuat oleh mosfet sebagi driver motor yang akan mampu menghantarkan arus yang cukup besar. Cara mengubah power supply bekas pc menjadi adaptor terkadang mbahtedjo voltage skema cas aki otomatis cara1 sumber mbahtedjovoltage.blogspot.com.

Belajar Cara Menggunakan Charger Aki Otomatis Rangkaianya
Belajar Cara Menggunakan Charger Aki Otomatis Rangkaianya from i2.wp.com
Charger ini bekerja secara straight alias arus mengalir langsung dari source menuju aki, hanya ditambah pemutus arus saat voltase aki mencapai titik yang telah di tentukan. Dan dapat dikembangkan menjadi stun gun, pengaman. Cara buat charger aki motor dan mobil. Ketika tegangan tegangan baterai atau aki masih. .tahan lama, seperti aki basah yang biasa kita gunakan untuk sepeda motor, atau mungkin punya aki mobil anda tinggal lihat saja gambar rangkaian sederhana berikut ini : Terlalu lama wfh aki motor jadi soak? Untuk mencegah kerusakan akibat panas yg berlebihan pada ic regulator 7805. 3v, 4.5v, 6v, 9v, 12v, 24v.

Doc salam sukses selalu sunarto sunarto academia edu.

Sebenarnya materi tentang power supply jenis lama, alias power supply yang menggunakan trafo kern besi sudah sangat banyak di bahas, baik di dunia buku maupun di area online. Solusi battery cara buat charger aki motor dan mobil cara membuat charger aki menggunakan trafo ct, 23 04 2019 trafo tipe step down prinsip prinsip dasar cas aki aki adalah sumber listrik dc maka untuk pengecasannya dibutuhkan juga arus dc tegangan arus dc charger harus lebih besar. Namun karena belakangan ada rekan facebook yang menghendaki pemaparan soal rangkaian power supply. Rangkaian pengisi baterai otomatis ini terdiri dari penyearah gelombang penuh dioda d1 dan d2. 3v, 4.5v, 6v, 9v, 12v, 24v. Radal 05 video ini menjelaskan cara membuat charger aki 12v, dengan mati secara otomatis. Cara membuat cas aki dengan trafo ct saklar kipas. Ada banyak model/circuit untuk membuat charger, khususnya untuk aki motor dan mobil, setiap model mempunyai alasan tersendiri dan punya argumen secara ilmiah.oleh para pembuat circuit charger. Rangkaian charger otomatis trafo ct pakai kiprok motor. Elektronika dan otomotif skema cas aki charger accu. Terlalu lama wfh aki motor jadi soak? Skema charger aki mobil otomatis dg relay 12v | baca deskripsi !! Aki motor berfungsi sebagai energi pembangkit listrik pada ecu, sebelum mesin motor di hidupkan jika aki sepeda motor anda tekor tentunya hal tersebut akan membuat sistem ecu serta nah anda juga bisa kok membuat charger aki sendiri, anda bisa lihat gambar skema rangkaian dibawah ini.

Demikian info tentang bagaimanakah cara membuat cas aki dan. Gambar skema inverter dc to penampang transistor bd699. Cara merubah arus dc12v ke 220ac inverter jasa membuat 2 cara membuat rangkaian inverter 12v ke 220 ac sumber www.caratekno.com. Cara membuat cas aki dengan trafo ct saklar kipas. Cara membaca skema pin socket cdi honda.

Prinsip Dan Cara Kerja Alat Charger Aki
Prinsip Dan Cara Kerja Alat Charger Aki from reader012.docslide.net
Sebenarnya materi tentang power supply jenis lama, alias power supply yang menggunakan trafo kern besi sudah sangat banyak di bahas, baik di dunia buku maupun di area online. Alat ini digunakan sebagai kontroler charger aki mobil baik itu untuk cas aki kering maupun aki basah. .tahan lama, seperti aki basah yang biasa kita gunakan untuk sepeda motor, atau mungkin punya aki mobil anda tinggal lihat saja gambar rangkaian sederhana berikut ini : 3v, 4.5v, 6v, 9v, 12v, 24v. Rangkaian pwm dibentuk dengan mudah hanya dengan bantuan ic timer ne555, yang selanjutnya diperkuat oleh mosfet sebagi driver motor yang akan mampu menghantarkan arus yang cukup besar. Ketika tegangan tegangan baterai atau aki masih. Cara kerja cdi berdasarkan skema rangkaian pengapian di dalam motor yang mana memiliki fungsi untuk memanfaatkan arus listrik tegangan tinggi untuk dapat melakukan induksi yang baca juga : Skema charger hp dengan aki motor diza rahayu.

Ini dia solusi alternatif cara membuat cas aki tanpa skema rangkaian charger battery 12 volt standby atau selalu.

Cara membuat charger aki otomatis untuk aki. Rangkaian charger otomatis trafo ct pakai kiprok motor. Alat ini digunakan sebagai kontroler charger aki mobil baik itu untuk cas aki kering maupun aki basah. Grosir sparepart motor supplier surabaya jawa timur. Pilihan lain untuk alat charger aki, bisa menggunakan power inverter. Sebenarnya materi tentang power supply jenis lama, alias power supply yang menggunakan trafo kern besi sudah sangat banyak di bahas, baik di dunia buku maupun di area online. Dua hal diatas bisa diatasi dengan: Pada gambar di atas adalah skema pemasangan casan kiprok sepeda motor bersifat charger otomatis karena setelah aki tersebut penuh maka kiprok ini akan berhenti. Skema rangkaian cas hp di motor mobil masputz com sumber www.masputz.com. Follow ig @djontabloalat tes ini dapat diatur outputnya dengan mengatur potensio freqwensi & pwm. Cara merakit dan membuat charger skema rangkaian charger hp untuk motor. Dalam skema rangkaian adaptor atau charger diatas menggunakan trafo non ct serta dari kedua rangkaian diatas dipilih tegangan 15 bukan 12 volt untuk tegangan charger aki dengan alasan cas aki mobil kapasitas 20 ampere. Demikian info tentang bagaimanakah cara membuat cas aki dan.

Cara kerja charger aki otomatis 12v skema cas aki motor. Solusi battery cara buat charger aki motor dan mobil cara membuat charger aki menggunakan trafo ct, 23 04 2019 trafo tipe step down prinsip prinsip dasar cas aki aki adalah sumber listrik dc maka untuk pengecasannya dibutuhkan juga arus dc tegangan arus dc charger harus lebih besar.

Posting Komentar

0 Komentar